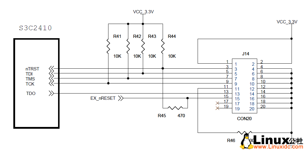
j-link为20针JTAG,mini2440为10针JTAG口。


j-link 的4、6、8、10、12、14、16、18、20脚与 mini2440的8、10脚相连,这个信号是地。
j-link 的3、5、7、9分别对应mini2440的3、5、7、9脚。
j-link 的1、2脚接入mini2440的1、2脚,这个信号是电源。
j-link 的15脚接入mini2440的4脚,这个信号是nRESET。
j-link 的13脚接入mini2440的6脚,这个信号是TDO。
此文章由 http://www.ositren.com 收集整理 ,地址为: http://www.ositren.com/htmls/60340.html